Запасные части ЧТЗ Запасные части ЧТЗ
Псков
Например:
Актобе
Алдан
или
Выбрать автоматически
Актобе
Алдан
Алматы
Алчевск
Архангельск
Астана
Астрахань
Атырау
Баку
Балашиха
Барнаул
Белгород
Бердянск
Бишкек
Владивосток
Владикавказ
Воркута
Воронеж
Горловка
Грозный
Донецк
Екатеринбург
Иваново
Ижевск
Иркутск
Казань
Калининград
Каменск-Уральский
Караганда
Каховка
Кемерово
Киров
Комсомольск-на-Амуре
Костанай
Краснодар
Красноярск
Красный луч
Ленск
Луганск
Магадан
Магнитогорск
Макеевка
Махачкала
Мелитополь
Минск
Мирный (Якутия)
Москва
Мурманск
Нерюнгри
Нижневартовск
Нижний Новгород
Нижний Тагил
Новая каховка
Новокузнецк
Новосибирск
Новый Уренгой
Норильск
Ноябрьск
Нур-Султан
Омск
Оренбург
Ош
Павлодар
Пермь
Петрозаводск
Петропавловск
Петропавловск-Камчатский
Псков
Ростов-на-Дону
Салехард
Самара
Санкт-Петербург
Саратов
Севастополь
Семей
Симферополь
Сочи
Ставрополь
Сургут
Сыктывкар
Тараз
Ташкент
Токмак
Томск
Тында
Тюмень
Ульяновск
Усинск
Усть-Каменогорск
Уфа
Хабаровск
Ханты-Мансийск
Херсон
Челябинск
Чита
Шымкент
Экибастуз
Энергодар
Южно-Сахалинск
Якутск
Ваш город
Псков
Войти
Запасные части к тракторам на одном сайте
+7 (932) 303-00-10
+7 (932) 303-00-10
г. Псков, ул. Леона Поземского, д. 110Д
Пн-Пт: 9:30-18:30 Cб-Вс: Выходной
Отправить заявку


Гидравлика, навеска, прицепное ЧТЗ


/
с НДС 20%
Описание

Тракторы Т-130, Т-130М и их модификации оборудованы универсальной раздельно-агрегатной гидравлической и навесными системами. Навесная система позволяет соединять с трактором навесные, полу-навесные и прицепные машины и орудия, а универсальная раздельно-агрегатная гидравлическая система предназначена для управления этими машинами и орудиями.

Гидравлическое управление позволяет принудительно заглублять рабочий орган орудия (отвал бульдозера, зубья рыхлителя), что особенно важно при разработке плотных и мерзлых грунтов.

При использовании навесных и полунавесных орудий значительно сокращаются непроизводительные потери времени за счет лучшей маневренности и уменьшения пути во время разворота трактора.

Гидравлическая система Т-130М

Отдельные узлы универсальной раздельно-агрегатной гидравлической системы соединены трубопроводами.

Насос гидросистемы 13 (рис. 102), установленный на крышке распределительных шестерен двигателя, получая вращение от коленчатого вала через редуктор, засасывает рабочую жидкость из левого масляного бака 10, От нагнетающей полости насоса жидкость поступает к трехзолотниковому распределителю 7, который находится под полом кабины.

Рис. 102. Универсальная раздельно-агрегатная гидравлическая система Т-130М


1, 10 — масляные баки,
2 — пробка,
3 — силовая труба,
4 — воздушная трубка,
5 — сливной трубопровод,
6 — напорный трубопровод,
7 — распределитель,
8 — дренажная трубка,
9 — задние трубопроводы,
11 — кулак крепления силового гидроцилиндра,
12 — рукоятка включения гидронасоса,
13 — гидронасос,
14 — соединительный трубопровод,
15 — сливная пробка.

Трубопроводы 9, устанавливаемые по требованию заказчика, подводят жидкость от распределителя к трем силовым цилиндрам. К сливному трубопроводу 5 подходит труба низкого давления гидросистемы управления трансмиссией трактора, гидронасос которой забирает рабочую жидкость из правого бака, и дренажная трубка 8 от верхней крышки распределителя. Жидкость, нагнетаемая гидронасосами в силовую трубу, связывающую масляные баки, полностью заполняет полость трубы и левый бак.

Масляные баки, вмещающие 120 л, прикреплены к лонжеронам корпуса бортовых фрикционов. Вместе с силовой трубой баки выполняют функции силового устройства передней навесной системы, являясь в то же время декоративно-облицовочными деталями трактора. Баки соединены воздушной трубкой 4.

Силовая труба прикреплена болтами к проставкам (рис. 103), вваренным в масляные баки 2 и 8. Внутри трубы находится фильтрующее устройство, состоящее из 75—84 сетчатых элементов чечевицеобразной формы 5, насаженных на трубу, в которую через радиальные отверстия проходит отфильтрованная рабочая жидкость. При засорении фильтрующих элементов давление в полости силовой трубы увеличивается и при достижении 0,15—0,2 МПа рабочая жидкость проходит внутрь трубы фильтра, а оттуда направляется в левый масляный бак через перепускной клапан 7. Для промывки элементов фильтрующее устройство извлекают через люк в правом масляном баке.

Рис. 103. Маслобаки гидросистемы Т-130М


1 — запорный кран,
2, 8 — маслобаки,
3 — подъемный захват,
4 — воздушная трубка,
5 — фильтрующий элемент,
6 — силовая труба,
7 — клапан,
9 — клапанная система,
10 — заливная горловина,
11 — пробка,
12 — гайка,
13 — уплотнение,
14 — фильтр,
15 — смотровой лючок,
16 — стержень,
17 — корпус крана.

Правый бак закрыт пробкой с тарельчатым клапаном. Клапан, поджимаемый к торцу фланца пружиной, создает внутри баков при нагреве рабочей жидкости избыточное давление 0,02—0,04 МПа. Клапан с конусной пружиной 5 сообщает баки с атмосферой при разрежении 0,001—0,006 МПа. Клапанная система позволяет изменять объем масла в баках в довольно широких пределах (при перемещении поршней гидроцилиндров), не сообщаясь с атмосферой. Кроме того, избыточное давление в баках улучшает условия забора жидкости гидронасосами и уменьшает ценообразование.

Заливают рабочую жидкость через фильтр 14 правого бака. Контроль за уровнем масла осуществляется через два смотровых лючка, которые расположены снаружи правого маслобака.

Забор жидкости насосами происходит через отверстия в нижней части баков, где смонтированы запорные краны. Грибок стержня 16 крана, перемещаясь, перекрывает поступление жидкости к насосу. Краны следует закрывать лишь при ремонте гидросистемы.

Редуктор привода гидронасосов (рис. 104) предназначен для приведения во вращение насосов гидравлической системы при одновременном повышении частоты вращения ведущих шестерен насосов до 1860 и 1595 мин-1 при частоте вращения коленчатого вала двигателя соответственно 1250 и 1070 мин-1. Редуктор смонтирован в кожухе распределительных шестерен двигателя. Вращение от ведущей шестерни, установленной на коленчатом валу, передается к ведомой, закрепленной в крышке распределительных шестерен, через промежуточную шестерню, вращающуюся на оси.

Рис. 104. Редуктор привода гидронасосов Т-130М


1 — гидронасос,
2 — передний фланец,
3 — промежуточная муфта,
4 — сальник,
5 — кожух распределительных шестерен,
6 — шарикоподшипник,
7, 19 — муфта,
8 — вал,
9 — ведомая шестерня,
10 — втулка,
11 — задний фланец,
12 — заливная пробка,
13 — крышка,
14 — рычаг включения,
15 — нижняя крышка,
16 — валик,
17 — вилка,
18 — пружина,
20 — валик ведущей шестерни насоса.

Ведомая шестерня 9 свободно установлена на валу 8, вращающемся в двух шариковых подшипниках 6, смонтированных в расточках крышки распределительных шестерен. В средней части вала имеется зубчатый венец, охватываемый муфтой 7, которая при передвижении может войти в зацепление с зубчатым венцом ступицы ведомой шестерни. В этом случае ведомая шестерня жестко соединяется с валом, передавая вращение от коленчатого вала двигателю.

Во внутреннем отверстии вала имеются шлицы, в которые входит шлицевой хвостовик промежуточной муфты 3, соединенной с муфтой 19, установленной на шлицах ведущего валика 20 гидронасоса. Промежуточная муфта компенсирует возможные несоосности и перекосы в приводе.

Механизм включения насосов смонтирован в нижней крышке 15* На валике 16 установлена вилка 17, верхняя часть которой входит в проточку соединительной муфты. При повороте рычага 14 включения пружина 18, упирающаяся в вилку, передвигает валик до упора вилки в торец крышки, обеспечивая соединение ведущего вала с шестерней привода.

На тракторах последующих выпусков привод включен постоянно, а механизм выключения не монтируется.

В расточке переднего фланца 2 установлен гидронасос. Отверстие в заднем фланце 11, где может быть смонтирован дополнительный насос, закрыто крышкой 13.

Полость вала привода заполняют смазкой через пробку 12, ввернутую в отверстие заднего фланца, а детали, расположенные снаружи вала, смазывают дизельным маслом, находящимся в картере двигателя. Внутренняя полость вала отделена от полости кожуха распределительных шестерен двумя резинокаркасными сальниками 4. Эти же сальники предохраняют картер двигателя от попадания рабочей жидкости гидросистемы в случае выхода из строя сальников гидронасоса.

Шестеренный насос НШ-100 (рис. 105) левого вращения обеспечивает нагнетание рабочей жидкости в гидросистему. Подача рабочей жидкости насосом осуществляется с помощью ведущей 1 и ведомой 3 шестерен, расположенных в корпусе насоса 5 между подшипниковой и поджимной 16 обоймами и платиками 17. Поджимная и подшипниковая обойма являются опорой для цапф шестерен. Под действием давления рабочей жидкости в полости радиальной манжеты 19 поджимная обойма уплотняет по периферии зубья шестерен со стороны зоны высокого давления.

Рис. 105. Насос НШ-100 Т-130М


1, 3 — ведущая и ведомая шестерни,
2 — втулка,
4 — крышка,
5 — корпус,
6 — манжета,
7 — опорное кольцо,
8 — стопорное кольцо,
9, 20 — транспортная пробка,
10 — уплотнение,
11 — болт,
12 — пружинная шайба,
13, 14 — манжетное уплотнение,
15 — болт,
16 — поджимная обойма,
17 — платик,
18 — опорное кольцо,
19 — радиальная манжета.

Зазор между корпусом и поджимной обоймой в месте установки манжеты перекрывается опорным кольцом 18. Торцевые поверхности шестерен уплотняются двумя платиками 1 с манжетными уплотнениями 13 и 14.

Ведущий вал насоса уплотняется манжетами 6, которые фиксируются опорным 7 и стопорными 8 кольцами.

Центрирование ведущего вала относительно установочного бурта корпуса обеспечивается втулкой 2.

Герметичность по плоскости разъема корпуса и крышки 4 достигается установкой резинового уплотнительного кольца.

Входное и выходное отверстия насоса закрываются пробками 9 и 20, которые при монтаже насоса на трактор удаляются. К торцевым поверхностям прикрепляются угольники, к которым присоединены всасывающий и напорный трубопроводы.

Гидронасос подает жидкость в гидросистему с производительностью 100 см³ на один оборот ведущего валика, что соответствует 160 и 186 л/мин при частоте вращения коленчатого вала 1070 или 1250 мин-1.

Гидрораспределитель (рис. 106) трехзолотниковый управляет потоком жидкости в гидросистеме и распределяет ее между различными группами силовых гидроцилиндров.

Рис. 106. Гидрораспределитель Т-130М


1 — нижняя крышка,
2 — золотник,
3 — верхняя крышка,
4 — направляющая,
5 — пята,
6 — перепускной клапан,
7 — корпус,
8 — седло,
9 — предохранительный клапан,
10 — гайка,
11 — регулировочный винт,
12 — контргайка,
13 — обойма,
14 — конусная втулка,
15 — возвратная пружина,
16 — рычаг,
17 — уплотнительное кольцо,
18 — втулка,
19 — рычаг управления,
20 — колпачок,
21 — обратный клапан,
22 — корпус обратного клапана.

Гидрораспределитель состоит из распределительного и фиксирующего устройств, перепускного, предохранительного и обратного клапанов. Золотники 2, перепускной и предохранительный клапаны смонтированы в корпусе 7, к которому крепятся верхняя 3 и нижняя 1 крышки. В верхней крышке установлены рычаги 16 управления, а в коробке, прикрепленной к корпусу, — обратный клапан 21.

Распределительное устройство образовано поясками золотников и каналами в корпусе. Каждый из трех золотников независимо друг от друга позволяет получить четыре рабочих положения соответствующей группы силовых цилиндров. У тракторов, оснащенных передней навесной системой, обеспечиваются рабочие положения: «подъем», «заперто — нейтральное», «принудительное опускание», «плавающее».

У тракторов с задней навесной системой гидроцилиндры обеспечивают такое чередование рабочих положений: «принудительное опускание», «заперто — нейтральное», «подъем», «плавающее». Такая последовательность необходима, чтобы при переводе задней навесной системы в положение «плавающее», избежать перехода через «принудительное опускание», так как сельскохозяйственные орудия, как правило, не рассчитаны на работу с принудительным заглублением в грунт.

Фиксирующее устройство состоит из шариков, вставленных в радиальные сверления в хвостовике золотника, конусной втулки 14 с пружиной и обоймы 13, которая зафиксирована между корпусом й нижней крышкой.

Возвратная пружина 15 зажата двумя стаканами. Пружина удерживает золотник в положении «заперто — нейтральное», прижимая его к нижней крышке. При повороте рычага управления золотник перемещается, сжимая пружину. Когда шарики подходят к одной из канавок, внутренняя пружина, действуя на конусную втулку, выталкивает шарики в канавку. Замкнутные между конусной поверхностью втулки и торцом канавки шарики надежно удерживают золотник в соответствующем рабочем положении.

На тракторах выпуска после 1982 г. фиксация золотников в положениях «подъем» и «принудительное опускание» исключена, что улучшило оперативность управления навесными орудиями.

Рычаги управления центральной сферой фиксируются сферическим ложем верхней крышки и втулкой 18, прижатой через фланец к уплотнительному кольцу 17. Нижний сферический хвостовик рычага входит в квадратное отверстие хвостовика золотника. Резиновые колпачки 20, надетые на рычаги, защищают трущиеся поверхности от пыли.

Перепускной клапан 6 конусным хвостовиком прижат пружиной к седлу, запрессованному в корпус. Цилиндрическая часть клапана может перемещаться в направляющей втулке, установленной в отверстии корпуса. В средней части клапана имеется бурт, между наружной поверхностью которого и отверстием в корпусе имеется зазор, куда просачивается масло из зоны с высоким давлением к каналам, соединенным со сливом из распределителя. Для этой же цели служит дозирующее отверстие, просверленное в бурте. Пружина упирается через пяту 5 в крышку, прикрепленную болтами к верхней плоскости корпуса. Сферическая поверхность торца пяты исключает перекос направляющей втулки клапана. На цилиндрической поверхности клапана, сопрягаемой с направляющей втулкой, имеется резьбовая канавка для подачи смазки и «вывешивания» клапана в зазоре между этими деталями. Уплотнение пяты в направляющей и последней в корпусе осуществляется резиновыми кольцами.

Предохранительный клапан шарикового типа предназначен для ограничения давления в системе. Шарик, расположенный в конической расточке предохранительного клапана 9, поджимается пружиной к седлу S, ввернутому в резьбовое отверстие корпуса. Давление регулируют, изменяя сжатие пружины регулировочным винтом 11. Выбранное положение фиксируют гайкой 10 и контргайкой 12. Обратный клапан 21, смонтированный в отъемном корпусе 22, удерживает жидкость в подъемной полости цилиндра при переводе из нейтрального положения в рабочее.

Ниже описываются рабочие процессы, происходящие в гидросистеме при различных положениях золотника распределителя (рис. 107). Описание дается применительно к гидросистеме трактора, оборудованного передней навесной системой.

Рис. 107. Положения золотника гидрораспределителя Т-130М


а — «заперто — нейтральное»,
б — «принудительное опускание»,
в — «плавающее»,
г — «подъем»;
А и И — рабочие поверхности переливного клапана;
1, 3 — каналы, соединенные с нижней и верхней полостями гидроцилиндра,
2 — обратный клапан,
4 — золотник,
5 — перепускной клапан,
6 — предохранительным клапан.

Положение «заперто — нейтральное»

В этом положении цилиндрические поверхности золотника 4 перекрывают каналы, соединяющие полости силовых гидроцилиндров с напорными и сливными каналами распределителя. Обратный клапан 2 закрыт, а поступающая от насоса к распределителю жидкость давит на перепускной клапан 5. Поскольку площадь поверхности А меньше поверхности Б, усилие, направленное на отрыв клапана от седла, превосходит силу прижатия к нему. Масло, протекающее через зазор между клапаном и корпусом, а также сквозь дозирующее отверстие, поступает в сливную полость, не препятствуя подъему клапана. Клапан отрывается от седла, входная полость распределителя соединяется со сливной, и масло под небольшим давлением циркулирует в системе, а штоки исполнительных гидроцилиндров остаются неподвижными.

Положение «принудительное опускание»

При движении рукоятки, укрепленной на рычаге управления вперед, золотник, преодолевая сопротивление возвратной пружины, перемещается вверх до упора, устанавливая золотник в первом верхнем положении.

Золотник перекрывает канал, соединяющий полость, расположенную за буртом перепускного клапана, со сливом. Поскольку жидкость, проходящая через кольцевой зазор между буртом перепускного клапана и корпусом распределителя, а также через отверстие в бурте, не имеет выхода, давление жидкости с обеих сторон бурта выравнивается и пружина прижимает клапан к седлу, закрывая сливную полость. Обратный клапан открывается, и жидкость, нагнетаемая насосами, поступает в надпоршневую полость цилиндров, перемещая поршень со штоком вниз и опуская навесное орудие. Из нижней полости цилиндра жидкость вытесняется через распределитель в бак.

Положение «плавающее»

При дальнейшем движении рукоятки управления от себя золотник перемещается вверх до тех пор, пока шарики не попадут в верхнюю канавку. В этом положении золотника входная полость отделена от верхней и нижней полостей цилиндра, а полость над буртом перепускного клапана соединена со сливом, что позволяет открыться перепускному клапану, соединив входную полость со сливной. Верхняя и нижняя полости цилиндров соединяются со сливом. Обратный клапан в данном случае закрыт.

В плавающем положении поршни гидроцилиндров свободно перемещаются под влиянием, внешних усилий, действующих на штоки. В результате рабочие орудия самоустанавливаются в зависимости от рельефа почвы. При переключении из нейтрального положения в плавающее орудие опускается на грунт под действием собственной массы.

Положение «подъем»

Из нейтрального положения назад золотник перемещается до упора. При этом происходят те же явления, что и при «принудительном опускании» рукоятки, только жидкость под давлением нагнетается не в верхнюю, а в нижнюю полость цилиндра.

Когда давление в системе при подъеме орудия или его опускании превышает по каким-либо причинам 11 —12 МПа, в работу вступает предохранительное устройство. В этом случае предохранительный клапан открывается, сообщая полость, расположенную над буртом перепускного клапана, со сливом. Давление в этой полости резко падает, перепускной клапан поднимается, и рабочая жидкость сливается в нижнюю крышку, а оттуда — в бак. При этом в напорной части гидросистемы поддерживается высокое давление, в связи с чем длительная работа на данном режиме недопустима.

Трубопроводы и арматура

Агрегаты гидросистемы соединены стальными трубопроводами различных диаметров (от 21 до 51 мм).

Некоторые трубопроводы соединены между собой и с соответствующими агрегатами гидросистемы штуцерами 2 (рис. 108) с конической уплотняющей поверхностью и сферическими ниппелями 5.

Рис. 108. Трубопроводы и арматура Т-130М


а — ниппельное соединение,
б — торцевое соединение,
в — крепление резиновых рукавов низкого давления,
г — компенсатор,
д — быстроразъемное соединение,
е — рукав высокого давления; 1,
6, 7 — труббпроводы,
2, 14, 23, 29 — штуцер,
3, 17 — гайка,
4 — шайба,
5, 27 — ниппель,
8 — фланец,
9, 15 — уплотнительное кольцо,
10 — хомут,
11 — прокладка,
12, 25 — рукав,
13 — стяжной болт,
16 — цанга,
18, 24 — наконечник,
19, 20, 22 — планка,
21 — стяжная шпилька,
26 — муфта,
28 — накидная гайка.

Применяется также торцевое соединение, где уплотнение осуществляется резиновым кольцом круглого сечения 9, уложенным в канавку плоского фланца 8, приваренного к трубопроводу 7.

Для ликвидации неточностей при установке трубопроводов низкого давления резиновые рукава 12 прикрепляют к трубам хомутами 10.

Трубопровод высокого давления, подающий жидкость от насоса к распределителю, соединен с ним через компенсатор. Наконечник 18 этого трубопровода входит в отверстие штуцера 14, ввернутого в резьбовое отверстие корпуса распределителя. Гайка 17, наворачиваемая на штуцер, обжимает разрезную конусную цангу 16, обеспечивая жесткое соединение наконечника трубопровода со штуцером.

Исполнительные гидроцилиндры можно присоединять к паре трубопроводов, выходящих от распределителя вперед (передняя навесная система), или к трем парам рукавов высокого давления, идущим назад (задняя навесная система и прицепные орудия).

Трубопроводы к распределителю подключены с помощью быстроразъемного соединения. В центральное отверстие штуцера 23, ввернутого в распределитель, входит наконечник 24 трубы. Две планки 19, 20 или 22 охватывают группу трубопроводов сверху и снизу. При этом они замыкаются в осевом направлении между буртами, один из которых входит в кольцевую проточку на наконечнике трубы, а другой фиксируется по бурту штуцера.

При монтаже гибких рукавов высокого давления вместо жестких трубопроводов быстроразъемное соединение не устанавливают.

Гидроцилиндры подсоединены резиновыми рукавами высокого давления с металлической оплеткой, внутренний диаметр которого равен 16 мм. В концы рукавов 25 вставлены ниппели 27 со сферическим наконечником и накидной гайкой 28. Рукав прочно обжимается по ниппелю штампованной муфтой 26.

Навесные системы Т-130М

Передняя навесная система

Эта система служит для подсоединения орудий, монтируемых на специальной раме, шарнирно закрепленной, как правило, на цапфах, приваренных к рамам тележек гусениц. Она состоит из опорного устройства (силовых маслобаков с шаровыми цапфами для силовых гидроцилиндров) и двух гидроцилиндров. Силовые гидроцилиндры двустороннего действия с внутренним диаметром 100 мм.

Сверху к гильзе гидроцилиндра 16 (рис. 109) приварена верхняя крышка, а к низу — фланец, в который ввертывают болты, притягивающие нижнюю крышку 5 к торцу гильзы.

Рис. 109 Гидроцилиндр передней навесной системы Т-130М


1 - головка штока,
2 - стакан,
3 - крышка,
4 - регулировочные прокладки,
5 - крышка цилиндра,
6 - маслопровод,
7 - палец,
8 - опорное кольцо,
9 - гайка,
10 - контргайка,
11 - сухарь,
12 - клапан,
13 - поршень,
14 - уплотнение,
15 - шток,
16 - гильза,
17 - уплотнительные кольца,
18 - нажимное кольцо,
19 - чистики.

Внутри гильзы находится поршень 13, закрепленный на штоке 15 гайкой 9 и контргайкой 10. На поршень запрессовано бронзовое кольцо, а в проточки вставлены резиновые уплотнительные манжеты 14.

Чтобы в гидравлической системе при подъеме .или принудительном опускании не развивалось давление выше, чем это нужно для управления навесным орудием, в штоках цилиндров смонтировано специальное гидромеханическое устройство. В центральное отверстие штока запрессованы две втулки с седлами для конусных запорных клапанов 12, имеющих цилиндрические хвостовики с продольными пазами.

При движении поршня вверх нижний клапан под давлением жидкости отодвигается от седла, а верхний прижимается к нему. Как только выступающий хвостовик верхнего клапана упрется в торец верхней крышки, он отойдет от седла и подъем орудия прекратится, а жидкость будет перетекать под давлением из одной полости цилиндра в другую, сохраняя в нижней полости цилиндра давление, необходимое для удержания орудия в крайнем верхнем положении.

Точно так же работает клапан и при опускании орудия, с той лишь разницей, что хвостовик нижнего клапана упирается в палец 7, установленный в поперечном сверлении штока. Перемещение штифта в отверстии, а следовательно, и клапана происходит при соприкосновении опорного кольца 8 с торцом нижней крышки.

В центральное отверстие нижней крышки запрессована бронзовая втулка, в которой перемещается шток. Уплотнительные шевронные манжеты 17 прижимаются крышкой 3 к опорному торцу втулки через стальное фигурное пружинное кольцо, обеспечивающее необходимое поджатие уплотнения к штоку по мере износа. Поджимают уплотнение (при необходимости) прокладками 4, установленными между торцами стакана и нижней крышкой. В расточке стакана уложены пластины-чистики 19, предохраняющие уплотнения от пыли и грязи.

Рабочая жидкость в верхнюю полость гидроцилиндра подается через сверление в верхней крышке, а в нижнюю — через металлический маслопровод 6 и сверление в крышке.

В верхнюю, крышку вставлены два сухаря 11 со сферической внутренней поверхностью. От проворачивания сухари стопорятся шпонками, а в осевом направлении фиксируются крышками. Гидроцилиндр установлен на сферических цапфах силовых гидробаков с помощью сухарей.

Со штоком соединена головка 1, в которой смонтированы сухарь и сферическая втулка 2 с отверстием. В отверстие входит палец, связывающий гидроцилиндр с подъемной рамой навесного орудия. Благодаря сферическим шарнирам гидроцилиндр может перемещаться на некоторый угол.

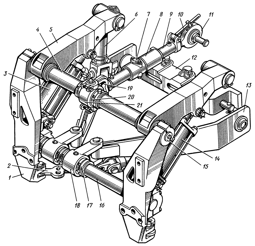
Задняя навесная система

Задняя навесная система (рис. 110), закрепленная на корпусе бортовых фрикционов, предназначена для установки навесных и полунавесных орудий, а также для присоединения прицепных орудий. Она состоит из механизма навески и двух силовых гидроцилиндров, соединенных рукавами высокого давления с гидросистемой. Механизм навески представляет собой шарнирно-рычажный четырехзвенник.

Рис. 110. Задний механизм навески Т-130М


1 — кронштейны,
2 — соединительное звено цепи,
3, 14 — гидроцилиндры,
4 — полый вал,
5 — подъемный рычаг,
6 — телескопический раскос,
7 — фланец,
8 — верхняя тяга,
9 — внутренняя тяга,
10 — рукоятка,
11 — бугель,
12 — прицепное устройство,
13 — продольная тяга,
15 — верхняя ось,
16 — нижняя ось,
17, 20 — проставки,
18, 19 — вилки,
21 — цапфа.

В разрезных цапфах кронштейнов 1 механизма навески вставлены верхняя 15 и нижняя 16 оси. На верхней оси на втулках установлен полый вал 4, на шлицах которого смонтированы два подъемных рычага 5.

На гладкой шейке полого вала шарнирно установлена цапфа 21, с которой соединена вилка 19 верхней продольной тяги. Положение' продольной тяги в поперечном направлении фиксируется проставками, которые закреплены на валу стопорными винтами. Для изменения положения верхней тяги в поперечном направлении на валу имеются дополнительные сверления.

Верхняя тяга телескопического типа 8 состоит из двух труб с резьбовыми отверстиями, в которые входят с одной стороны винтовой наконечник вилки 19, а с другой — бугель 11 с шаровым шарниром.

Вращая трубу рукояткой 10, можно регулировать длину верхней тяги. В тяге находится срезывающийся штифт, предохраняющий узлы трактора, механизм навески и орудия от перегрузок. При нагрузках, превышающих допустимую величину, штифт срезается и тяга укорачивается. Для восстановления длины тяги вставляют новый штифт, удалив из радиальных отверстий трубы два фланца 7, в которые входят шейки штифта. Чтобы отрезанные концы штифта не выбрасывались, отверстия во фланцах закрыты планками.

Внутренняя полость верхней тяги уплотнена; резьбовые наконечники смазываются через масленки.

На нижней оси установлены две вилки 18, к которым крепятся нижние продольные тяги 13 с шаровыми шарнирами на концах. Тяги могут перемещаться в горизонтальной и вертикальной плоскостях. Положение нижних тяг в поперечной плоскости фиксируется проставками. Орудие присоединяют к шаровым шарнирам нижних и верхней тяг.

Нижние тяги связаны с подъемными рычагами телескопическими раскосами 6. Труба раскоса входит в отверстие вилки и может быть соединена с пальцем.

К нижним продольным тягам может быть прикреплено прицепное устройство 12 с тремя отверстиями для присоединения орудий.

Для агрегатирования с навесными и полунавесными орудиями разных типов конструкция механизма обеспечивает три варианта эксплуатационных наладок, показанных на рис. 111.

Рис. 111. Наладки заднего механизма навески Т-130М


I, III — подсоединение цепи к кронштейну,
II, IV, VI — подсоединение цепи к нижней продольной тяге,
V — подсоединение цепи к вилке;
А — первая наладка,
В — вторая наладка,
С — третья наладка.

Первая наладка характерна тем, что линии, соединяющие шарниры нижних тяг, пересекаются в точке, расположенной на продольной оси симметрии трактора. При этом достигается наибольшее перемещение орудий относительно трактора (в горизонтальной плоскости).

Вторая наладка отличается от первой тем, что верхняя продольная и нижние тяги смещены вправо на 180 мм. Этот вариант необходим при агрегатировании с несимметричными орудиями и плугами. Такая наладка благодаря смещению орудия вправо от продольной оси трактора позволяет ему перемещаться по невспаханному участку.

Третья наладка — центральная, с разведенными в стороны нижними продольными тягами — обеспечивает устойчивую работу трактора с орудиями, которые требуют ограничения перемещений в горизонтальной плоскости.

Это ограничение достигается с помощью цепей, один конец которых крепится к нижним тягам, а другой присоединен к проушинам опорных кронштейнов. Длину цепей можно изменять резьбовым регулировочным устройством.

Гайка с наружным шестигранником при регулировке поворачивается на резьбовом хвостовике регулировочного винта. Винт имеет проушину, в которую входит звено цепи. Положение гайки, а значит, и длина цепи фиксируются пальцем, связывающим гайку с вилкой нижнего звена.

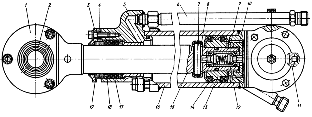
Силовые гидроцилиндры двустороннего действия (рис. 112) шарнирно связаны с нижней осью механизма навески, а их штоки соединены с подъемными рычагами. К гильзе 10 гидроцилиндра приварена нижняя крышка 13, а верхняя 5 присоединена к фланцу гильзы болтами. В отверстие верхней крышки входит шток 9, на котором закреплен поршень 11. Уплотнение штока в крышке и поршня в гильзе осуществляется резиновыми кольцами круглого сечения с защитными шайбами. Чтобы пыль и грязь не проникали в уплотнения штока, в расточку верхней крышки установлен резиновый воротник-чистик 6.

Рис. 112. Гидроцилиндры задней навесной системы Т-130М


1, 4, 7, 8, 12 — уплотнения,
2 — маслопровод,
3 — замедлительное устройство,
5 — верхняя крышка,
6 — воротник-чистик,
9 — шток,
10 — гильза,
11 — поршень,
13 - нижняя крышка,
14 — втулка.

В верхней крышке имеются отверстия и штуцер для подсоединения укавов высокого давления.

Рабочая жидкость к нижней полости гидроцилиндра поступает по маслопроводу 2, установленному между верхней и нижней крышками. В маслопроводе имеется замедли-тельное устройство 3. При подъеме орудия поток жидкости сдвигает клапан к торцу маслопровода, и жидкость проходит как через центральное отверстие, так и по кольцевому каналу между клапаном и расточкой в крышке. При опускании орудия жидкость, вытесняемая из нижней полости, прижимает клапан к торцу расточки и проходит лишь через центральное дроссельное отверстие. В результате орудие плавно опускается.

Эксплуатация гидравлической и навесных систем Т-130М

Перед началом работы трактора необходимо проверить уровень жидкости в масляных баках. Если уровень масла ниже середины нижнего смотрового стекла правого бака, следует долить масло через заливную горловину. Затем нужно открыть краны баков. Для перевода крана в рабочее положение перемещают стержень за кольцо до упора грибка в торец втулки (вниз). Работа гидросистемы с закрытыми кранами приводит к выходу насоса из строя. Включать и выключать насосы на тракторах, оборудованных механизмом их включения, можно только при неработающем двигателе. После проведения подготовительных операций нужно вновь проверить уровень масла в баках.

Необходимо периодически следить за состоянием фильтров. При загрязнении фильтр вынимают из стяжной трубы и промывают фильтрующие элементы в дизельном топливе или керосине. Фильтрующие элементы с разрушенной сеткой заменяют. Уменьшение количества фильтрующих элементов недопустимо, так как часть масла будет поступать в бак нефильтрованное.

Если масло подтекает в соединениях трубопроводов, нужно подтянуть их или проверить состояние уплотнительных элементов. Подтягивая уплотнения резиновых рукавов, идущих к гидроцилиндрам, необходимо следить за положением знаков, нанесенных на поверхности рукава, не допуская их скручивания. При появлении течи через уплотнение штока гидроцилиндра передней навесной системы необходимо подтянуть его, убрав несколько прокладок между нажимной и нижней крышками гидроцилиндра.

Появление пены из сапуна правого бака свидетельствует о проникновении в гидросистему воздуха через всасывающую магистраль. В этом случае нужно найти место подсоса и устранить его.

Запрещается оставлять на длительное время рычаги распределителя в положении «подъем» и «принудительное опускание», так как рабочая жидкость будет перетекать через предохранительный клапан под высоким давлением, вызывая перегрев масла и заклинивание подшипников насоса.

При необходимости демонтажа узлов гидросистемы следует закрыть краны в баках. Масло из баков сливают через отверстие в нижнем соединительном трубопроводе. Во время демонтажа, а также при последующей сборке грязь и посторонние частицы не должны попадать в гидросистему.

Узлы гидравлической и навесных систем смазывают согласно таблице смазки.

Проверяют максимальное давление в гидросистеме при температуре рабочей жидкости 313—343 К (40—60º С) манометром. Его подсоединяют к трубе, идущей от насоса к распределителю, с помощью двух переходников и рукава высокого давления.

При работающем двигателе следует включить нерабочий рычаг распределителя в положение «подъем» или «принудительное опускание». Нормальное давление в гидросистеме трактора 11 —12, МПа (110 — 120 кгс/см²).

Для регулировки давления необходимо снять защитный колпачок предохранительного клапана, расконтрить регулировочный винт и, поворачивая его, через каждые четверть оборота проверять максимальное давление.

Нельзя регулировать клапан при включенном рабочем золотнике и крайнем верхнем или нижнем положении штока гидроцилиндра передней навесной системы, так как жидкость будет перетекать через разгрузочное устройство в штоке и максимальное давление перепуска жидкости через предохранительный клапан зафиксировать невозможно.

Регулировку проводит квалифицированный механик в соответствии с требованиями технического обслуживания, а также при замене изношенного насоса новым.

Эксплуатация и регулировка задней навесной системы Т-130М

На заднюю навесную систему необходимо устанавливать орудия, у которых высота стойки (размер между осями шаровых шарниров верхней и нижней тяг по вертикали) не менее 1050 мм.

Наклон рамы навесного орудия вперед или назад осуществляется путем изменения длины верхней тяги в пределах ±180 мм. При этом следует проверить предохранительный штифт. Срезанные пальцы заменяют только из запасных частей, приложенных к трактору.

Наклон рамы орудия вправо или влево осуществляется путем изменения длины раскосов. При необходимости свободного перемещения нижних тяг в вертикальной плоскости нужно удалить стопорные пальцы раскосов.

Если навесное орудие не приспособлено для принудительного заглубления, следует вынуть пальцы, соединяющие захваты с подъемными рычагами.

Неисправности гидравлической и навесных систем Т-130М
Неисправность Причина неисправности Способ устранения
Орудие не поднимается или поднимается медленно Чрезмерная нагрузка Уменьшить нагрузку
Воздух попал в гидросистему (пена в баке) Найти место подсоса воздуха и устранить подсос
Мало масла в баках Долить масло
Неправильно отрегулирован предохранительный клапан распределителя Отрегулировать предохранительный клапан
Неисправен насос Заменить насос
Вышло из строя уплотнение поршня гидроцилиндра Заменить уплотнение
Завис перепускной клапан распределителя Вынуть направляющую и клапан и промыть их в керосине
Шум во время работы гидросистемы Неправильно отрегулирован предохранительный клапан распределителя Отрегулировать предохранительный клапан
Воздух попадает в гидросистему Найти и устранить подсос воздуха
Перегрузка гидросистемы Уменьшить нагрузку
Загрязнен фильтр Промыть фильтр
Рычаг распределителя установлен в положение «подъем» или «принудительное опускание» Установить рычаг в нейтральное положение
Самовключение золотника Засорилась дренажная трубка, присоединенная к верхней крышке распре­делителя Продуть трубку

Прицепные устройства Т-130М

Прицепное устройство предназначено для присоединения к трактору прицепных машин, орудий, транспортных тележек при отсутствии заднего механизма навески.

Тракторы оборудуют двумя типами прицепных устройств. На большинстве тракторов устанавливают жесткое прицепное устройство (рис. 113), состоящее из двух кронштейнов 2 и 4, прикрепляемых к заднему листу корпуса, муфт поворота и серьги 3 с отверстием под прицепной штырь.

Рис. 113. Жесткое прицепное устройство Т-130М


1 — шпилька с гайкой,
2, 4 — кронштейны,
3 — серьга,
5 — замок,
6 — палец.

На тракторы, которые работают в основном с прицепными орудиями, требующими смещения точки прицепа в поперечном направлении и разгрузки задней стенки корпуса муфт поворота (например, при агрегатировании со скреперами), устанавливают прицепное устройство маятникового типа (рис. 114).

Рис. 114. Маятниковое прицепное устройство Т-130М


1 — площадка,
2, 4, 11 — кронштейны,
3 — шпилька с гайкой,
5, 7 — штыри,
6 — замок,
8 — серьга,
9 — палец,
10 — планка.

К задней стенке корпуса муфт, поворота крепятся кронштейны 2 и 4, к нижним полкам которых присоединена изогнутая площадка 1 с пятью отверстиями для фиксации прицепной серьги 8. Передний конец прицепной серьги шарнирно закреплен на оси в кронштейне 11, установленном в передней части корпуса муфт поворота. Ось стопорится от проворачивания планкой 10, входящей в прорезь на оси.

Задний конец серьги прорезью надет на площадку и может передвигаться по ней в горизонтальной плоскости в обе стороны. С помощью штыря 7 прицепная серьга может закрепляться в пяти различных положениях. На конце серьги имеется открытый зев, в который входит прицепная скоба агрегатируемых с трактором машин и орудий. Соединение их осуществляется с помощью второго штыря 5. Штыри закреплены на серьге замками 6, предохраняющими их от выпадания.


Гидравлика, навеска, прицепное