Запасные части ЧТЗ Запасные части ЧТЗ
Псков
Например:
Актобе
Алдан
или
Выбрать автоматически
Актобе
Алдан
Алматы
Алчевск
Архангельск
Астана
Астрахань
Атырау
Баку
Балашиха
Барнаул
Белгород
Бердянск
Бишкек
Владивосток
Владикавказ
Воркута
Воронеж
Горловка
Грозный
Донецк
Екатеринбург
Иваново
Ижевск
Иркутск
Казань
Калининград
Каменск-Уральский
Караганда
Каховка
Кемерово
Киров
Комсомольск-на-Амуре
Костанай
Краснодар
Красноярск
Красный луч
Ленск
Луганск
Магадан
Магнитогорск
Макеевка
Махачкала
Мелитополь
Минск
Мирный (Якутия)
Москва
Мурманск
Нерюнгри
Нижневартовск
Нижний Новгород
Нижний Тагил
Новая каховка
Новокузнецк
Новосибирск
Новый Уренгой
Норильск
Ноябрьск
Нур-Султан
Омск
Оренбург
Ош
Павлодар
Пермь
Петрозаводск
Петропавловск
Петропавловск-Камчатский
Псков
Ростов-на-Дону
Салехард
Самара
Санкт-Петербург
Саратов
Севастополь
Семей
Симферополь
Сочи
Ставрополь
Сургут
Сыктывкар
Тараз
Ташкент
Токмак
Томск
Тында
Тюмень
Ульяновск
Усинск
Усть-Каменогорск
Уфа
Хабаровск
Ханты-Мансийск
Херсон
Челябинск
Чита
Шымкент
Экибастуз
Энергодар
Южно-Сахалинск
Якутск
Ваш город
Псков
Войти
Запасные части к тракторам на одном сайте
+7 (932) 303-00-10
+7 (932) 303-00-10
г. Псков, ул. Леона Поземского, д. 110Д
Пн-Пт: 9:30-18:30 Cб-Вс: Выходной
Отправить заявку


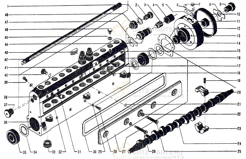
Насос топливный и регулятор на ДЭТ-250


/
с НДС 20%
Описание
Насос топливный и регулятор ДЭТ-250
Поз. Обозначение Наименование Кол-во Масса
Сб.327-00-49 Насос топливный HK-10T 1 37,2
Сб.3327-02-8 9 Букса шарикоподшипника 1 0,793
Сб.3327-04 Вал топливного насоса 1 0,231
Сб.3327-05-16 Корпус топливного насоса 1 12,451
Сб.327-10-52 Крышка корпуса насоса 1 0,818
Сб.327-13-1 Подшипник 5 0,105
1 355-08 Кольцо 2 0,14
2 3327-112 Зажим 1 0,050
3 327-71-4 Гайка упора 1 0,050
4 327-135-1 Колпачок 1 0,014
5 3327-140-1 Прокладка 1 0,0051
6 3327-139-3 Крышка 1 0,05
7 351-06 Гайка 8
8 3334-33 Шайба 1 0,006
9 3334-34-3 Гайка 1
10 Сб.3334-07-13 Маховик 1 0,972
11 Сб.3327-03-6 Букса 1 0,813
12 327-108-1 Прокладка 1 0,0052
13 Сб.327-18-1А Манжета армированная 2 0,0106
14 327-89-2 Прокладка регулировочная 4 0,0008
15 327-86 Прокладка 12 0,0001
16 3327-85A Винт установочный 12 0,0069
17 353-23 Шайба 6Т 16 0,0801
18 3327-105 Болт 6 0,008
19 327-44 Винт стяжной 16 0,004
20 327-43-1 1 Крышка подшипника 5 0.035
21 327-66 8 Кольцо упорное 5 0,0003
22 327-126 Прокладка 5 0,0001
23 327-42-1 1 Подушка подшипника 5 0,058
24 3327-41 2 Вал топливного насоса 1 3,470
25 327-65А 8 Винт крышки 2 0,026
26 327-65 8 Винт крышки 3 0,027
27 327-63-2 8 Крышка корпуса 1 0,695
28 3327-84A Винт стопорный 5 0,0077
29 327-102 Прокладка регулировочная 4 0,002
30 327-64-1A Прокладка 1 0,0117
31 320-37 Зажим 2
32 355-06 Кольцо 2 0,06
33 327-82 Пробка корпуса 12 0,100
34 327-45 2 Маслоотражатель 2 0,005
35 327-46 2 Подшипник 205К 2 0,13
36 Сб.327-01-14 3 Корпус топлив­ного насоса 1 12,226
37 315 621 3 Заглушка 1 0,088
38 355-06 Кольцо
39 327-90-1 Пробка 2 0,012
40 327-33-1 Заглушка 1 0,028
41 3327-104 Планка стопорная 6 0,012
42 327-75-6 Рейка регулирующая 1 0,830
43 3327-103 Планка стопорная 6 0,013
44 327-70-5 Гильза упора 1 0,110
45 329-31А Прокладка 6 0,0004
46 301-101 Заглушка 2
47 327-107 1 Замок пластинчатый 1 0,003
48 327-24-1 3 Штуцер 2 0,046
1 Поставляется комплектно по сб.327-13-1.
2 Комплектно с деталью сб.327-13-1 заказывать по сб.3327-04.
3 Комплектно заказывать по сб.3327-05-16.
8 Комплектно заказывать по сб.327-10-52.
9 Комплектно с деталью 350-02 заказывать no сб.3327-03-6.


Насос топливный и регулятор ДЭТ-250

Поз. Обозначение Наименование Кол-во Масса
Сб.327-00-49 Насос топливный HK-10T 1 37,2
Сб.3327-06 Гильза поворотная 12 0,063
Сб.3327-07-6 Элемент насосный 12 0,15
Сб.3327-08-1А Клапан нагнетательный 12 0,031
C6.327-15-3B Толкатель 12 0,176
1 3327-61-3 Прокладка 12 0,0005
2 3327-59-1A 5 Клапан нагнетательный 12 0,006
3 3327-60-1 6 Седло клапана нагнетательного 12 0,025
4 327-58-5 7 Гильза плунжера 12 0,105
5 327-92-2А 4 Ролик толкателя 12 0,028
6 327-95 4 Ролик 2,5×13,8 II ЕТУ 195 0,0005
7 327-94-1 4 Шайба толкателя 26 0,0006
8 327-93-1 4 Палец толкателя 12 0,022
9 327-91И Корпус толкателя 12 0,099
10 327-52 4 Контргайка толкателя 12 0,005
11 327-51-3 4 Болт толкателя 12 0,014
12 3327-81-1 Тарелка пружины нижняя 12 0,015
13 327-56-1 5 Шуруп венца 12 0,002
14 3327-79-1A Пружина плунжера 12 0,053
15 3327-80-1 Тарелка пружины верхняя 12 0,005
16 3327-54 5 Гильза поворотная 12 0,035
17 327-55-1 5 Венец зубчатый 12 0,018
18 3327-77-9 Штуцер нажимной 12 0,150
19 3327-121-1 Ограничитель 12 0,008
20 3327-78-1 Пружина нагнетателя 12 0,008
21 327-57-5 7 Плунжер 12 0,042
4 Комплектно заказывать по сб.327-15-3B.
5 Комплектно заказывать по сб.3327-06.
6 Поставляются комплектно по сб.3327-08-1А.
7 Поставляются комплектно по сб.3327 07-6.


Насос топливный и регулятор ДЭТ-250

Поз. Обозначение Наименование Кол-во Масса
Сб.327-00-49 Насос топливный HK-10T 1 37,2
C6.315-601-9 10 Kopnyс регулятора 1 2,265
Сб.315-606-5 Тяга 1 0,094
Сб.315-662-3 Рычаг регулятора 1 0,355
Сб.315-664-2 Втулка 1 0,844
Сб.315-665 12 Рычаг 1 0,252
1 315-632-1 12 Палец пружин 2 0,006
2 3l5-643-4 11 Поводок шарнира 1 0,030
3 356-84 Болт М6×20 2 0.0066
4 351-02 10 Гайка 1 0,0055
5 353-23 11 Шайба 8 0,80)
6 Сб.315-663-17 Корпус регулятора 1
7 315-610-2 Тарелка регулятора 1 0,555
8 301-101 Заглушка 1
9 315-611-2 Крестовина 1 1,742
10 315-614 Шарик 11 25,4 П 6 0,065
11 315-647 Гайка 1 0,055
12 315-644 13 Кольцо стопорное 2 0,002
13 315-613-3 13 Диск упора 1 0,520
14 315-646-1 13 Подшипник 8109 1 0,15
15 315-616-4 Втулка 1 0,210
16 315-615-3 13 Упор рычага 1 0,050
17 315-620-5 Крышка регулятора 1
18 356-64 Винт М6×25 8 0,006
19 315-622-2 12 Ролик 1 0,0267
20 327-95 12 Ролик игольчатый 1 0,0005
21 315-636-1 Втулка рычага регулятора 2 0,012
22 315-635-1 12 Палец упора 1 0,025
23 353-07-1 Шайба чистая 2 0,002
24 354-12 10 Шплинт 2×20 5 0,479
25 315-617-2 Рычаг регулятора 1 0,240
26 315-637-1 12 Палец рычага 1 0,007
27 353-04-1 10 Шайба чистая 5 0,0063
28 354-17 10 Шплинт 2×12 5 0,324
10 Комплектно заказывать no сб.315-663-17.
11 Комплектно с деталью 353-23 заказывать no сб.315-606-5.
12 Комплектно заказывать по сб.315-662-3.
13 Комплектно заказывать no сб.315-664-2.


Насос топливный и регулятор ДЭТ-250

Поз. Обозначение Наименование Кол-во Масса
Сб.327-00-49 Насос топливный HK-10T 1 37,2
1 353-04-1 10 Шайба чистая 8 0,00063
2 354-12 10 Шплинт 2×20 5 0,479
3 Сб.315-661-1 Рычаг пружины 1 0,046
4 Cб.315-603-2 10 Пружина регулятора вторая 1 0,032
5 329-31А Прокладка 6 0,0004
6 301-101 Заглушка 1
7 315-49 10 Винт ограничителя 2 0,012
8 351-02 10 Гайка М8 1 0,0055
9 315-44-6 11 Звено шарнира 2 0,020
10 327-109-1 Прокладка 2 0,0078
11 308-88 Шпонка сегментная 1
12 354-17 10 Шплинт 2×12 5 0,324
13 315-42 Цапфа 1 0,004
14 327-46 10 Подшипник 205К 2
15 315-64 10 Шпонка сегментная 3×5 1 0,001
16 354-19 10 Шплинт 3,2×18 1 1,27
17 315-6391 10 Шайба 1 0,005
18 315-640-6 10 Валик с рычагом 1 0,160
19 315-668 10 Манжета 1 0,252
20 Cб.327-18-1A Манжета 2 0,047
21 315-645A Прокладка 1 0,0085
22 356-64-1 Винт М6×25 3 0,006
23 315-619-8 Корпус регулятора 1 2,230
24 315-618A Ось рычага регулятора 1 0,040
25 315-649 Кольцо уплотнительное 2 0,0001
26 315-68-1 Пробка 2 0,015
27 353-23 11 Шайба 7 0,801
28 356-84 Болт М6×20 1 0,0066
29 C6.315-602 10 Пружина регулятора первая 1 0,037
10 Комплектно заказывать no сб.315-663-17.
11 Комплектно с деталью 353-23 заказывать no сб.315-606-5.
Насос топливный и регулятор