Запасные части ЧТЗ Запасные части ЧТЗ
Псков
Например:
Актобе
Алдан
или
Выбрать автоматически
Актобе
Алдан
Алматы
Алчевск
Архангельск
Астана
Астрахань
Атырау
Баку
Балашиха
Барнаул
Белгород
Бердянск
Бишкек
Владивосток
Владикавказ
Воркута
Воронеж
Горловка
Грозный
Донецк
Екатеринбург
Иваново
Ижевск
Иркутск
Казань
Калининград
Каменск-Уральский
Караганда
Каховка
Кемерово
Киров
Комсомольск-на-Амуре
Костанай
Краснодар
Красноярск
Красный луч
Ленск
Луганск
Магадан
Магнитогорск
Макеевка
Махачкала
Мелитополь
Минск
Мирный (Якутия)
Москва
Мурманск
Нерюнгри
Нижневартовск
Нижний Новгород
Нижний Тагил
Новая каховка
Новокузнецк
Новосибирск
Новый Уренгой
Норильск
Ноябрьск
Нур-Султан
Омск
Оренбург
Ош
Павлодар
Пермь
Петрозаводск
Петропавловск
Петропавловск-Камчатский
Псков
Ростов-на-Дону
Салехард
Самара
Санкт-Петербург
Саратов
Севастополь
Семей
Симферополь
Сочи
Ставрополь
Сургут
Сыктывкар
Тараз
Ташкент
Токмак
Томск
Тында
Тюмень
Ульяновск
Усинск
Усть-Каменогорск
Уфа
Хабаровск
Ханты-Мансийск
Херсон
Челябинск
Чита
Шымкент
Экибастуз
Энергодар
Южно-Сахалинск
Якутск
Ваш город
Псков
Войти
Запасные части к тракторам на одном сайте
+7 (932) 303-00-10
+7 (932) 303-00-10
г. Псков, ул. Леона Поземского, д. 110Д
Пн-Пт: 9:30-18:30 Cб-Вс: Выходной
Отправить заявку


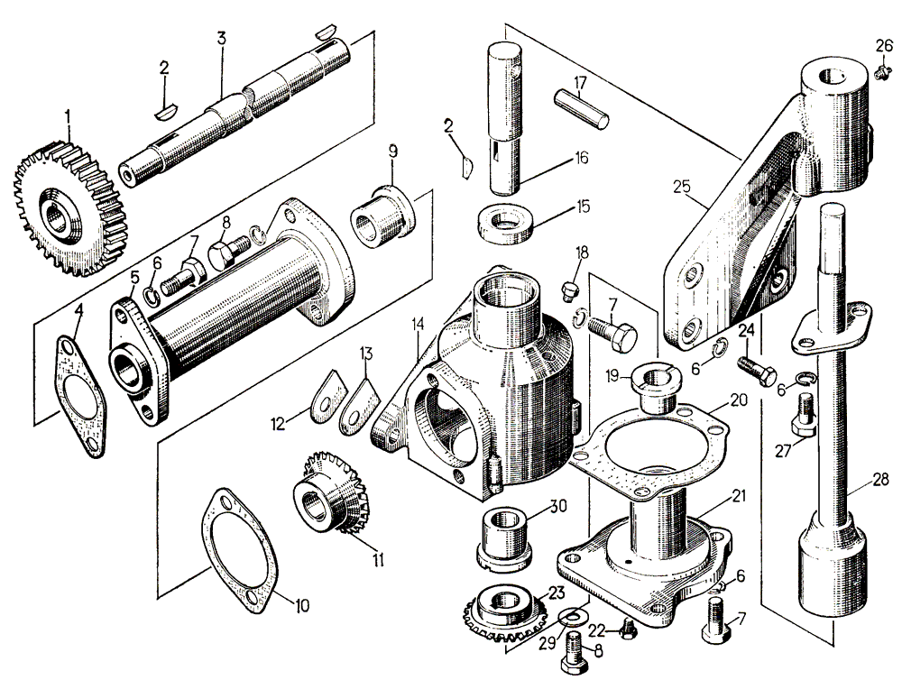
Механизм проворачивания вала пускового двигателя на Т-130


/
с НДС 20%
Описание
Механизм проворачивания вала пускового двигателя 17-74-8СП на Т-130
# Номер запчасти Наименование детали Кол-во в сборке
16-74-1СП Устройство ручного запуска 1
17-74-197СП Корпус 1
17-74-198СП Кронштейн 1
1 17-01-22 Шестерня 1
2 34126 Шпонка 4
3 17-74-257 Валик 1
4 700-40-6763 Прокладка 1
5 17-74-284 Кронштейн 1
6 Шайба 10ОТ 65Г 09 6
7 Болт M10×25.58.019 4
8 Болт M10×20.58.019 1
9 74119-1 Втулка 1
10 40957 Прокладка 1
11 74116 Шестерня 1
12 700-40-3110 Прокладка 1
13 700-40-3109 Прокладка 10
14 17-74-280 Корпус 1
15 40251СП Сальник 1
16 17-74-282 Валик 1
17 74124 Палец 1
18 371 Пробка КГ ¼" 1
19 74121-1 Втулка 1
20 40956 Прокладка 1
21 74120 Опора 1
22 375 Пробка КГ 1/8" 1
23 74123 Шестерня 1
24 Болт M10×30.58.019 4
25 51-74-1 Кронштейн 1
26 Масленка 1.3.Ц6 1
27 Болт M10×22.58.019 2
28 16-74-101СП Валик 1
29 31437 Шайба 1
30 17-74-283 Втулка 1

Механизм проворачивания вала пускового двигателя