Запасные части ЧТЗ Запасные части ЧТЗ
Псков
Например:
Актобе
Алдан
или
Выбрать автоматически
Актобе
Алдан
Алматы
Алчевск
Архангельск
Астана
Астрахань
Атырау
Баку
Балашиха
Барнаул
Белгород
Бердянск
Бишкек
Владивосток
Владикавказ
Воркута
Воронеж
Горловка
Грозный
Донецк
Екатеринбург
Иваново
Ижевск
Иркутск
Казань
Калининград
Каменск-Уральский
Караганда
Каховка
Кемерово
Киров
Комсомольск-на-Амуре
Костанай
Краснодар
Красноярск
Красный луч
Ленск
Луганск
Магадан
Магнитогорск
Макеевка
Махачкала
Мелитополь
Минск
Мирный (Якутия)
Москва
Мурманск
Нерюнгри
Нижневартовск
Нижний Новгород
Нижний Тагил
Новая каховка
Новокузнецк
Новосибирск
Новый Уренгой
Норильск
Ноябрьск
Нур-Султан
Омск
Оренбург
Ош
Павлодар
Пермь
Петрозаводск
Петропавловск
Петропавловск-Камчатский
Псков
Ростов-на-Дону
Салехард
Самара
Санкт-Петербург
Саратов
Севастополь
Семей
Симферополь
Сочи
Ставрополь
Сургут
Сыктывкар
Тараз
Ташкент
Токмак
Томск
Тында
Тюмень
Ульяновск
Усинск
Усть-Каменогорск
Уфа
Хабаровск
Ханты-Мансийск
Херсон
Челябинск
Чита
Шымкент
Экибастуз
Энергодар
Южно-Сахалинск
Якутск
Ваш город
Псков
Войти
Запасные части к тракторам на одном сайте
+7 (932) 303-00-10
+7 (932) 303-00-10
г. Псков, ул. Леона Поземского, д. 110Д
Пн-Пт: 9:30-18:30 Cб-Вс: Выходной
Отправить заявку


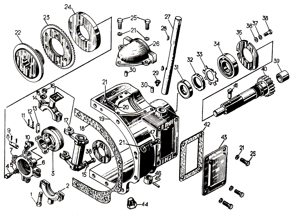
Муфта сцепления пускового двигателя на Т-130


/
с НДС 20%
Описание
Муфта сцепления пускового двигателя 17-73-7СП на Т-130
# Номер запчасти Наименование детали Кол-во в сборке
7318СП Крестовина 1
7324СП Вал 1
7326СП Хомут 1
17-73-111СП 1 Корпус 1
17-73-112СП Корпус 1
1 Болт M8×55.58.019 2
2 7322 1 Хомут 1
3 7315-1 Муфта включения 1
4 7316 Защелка 1
5 3874 Пружина 1
6 0516 Кнопка 1
7 7310 Крестовина 1
8 7312 Палец 4
9 Шплинт 2,5×16.019 8
10 7311-1 Кулачок 4
11 7314 Палец 8
12 Шплинт 2×12.019 16
13 7313 Серьга 8
14 7320 1 Хомут 1
15 31103 Шайба стопорная 2
16 Гайка М8.6.019 2
17 74102 Вилка 1
18 40954 Прокладка 1
19 17-73-20-1 3 Корпус 1
20 Болт М10×30.58.019 4
21 Шайба 10ОТ 65Г 09 12
22 736 Неподвижный диск 1
23 738-4СП Диск 1
24 739 Диск нажимной 1
25 Болт M10×22.58.019 4
26 17-73-13 3 Крышка 1
27 17-73-9 Ось 1
28 3432 Шпонка 2
29 41265СП Масленка 1
30 3228 Штифт 2
31 40257СП Сальник 1
32 724 Гайка 1
33 31104 Шайба 1
34 Подшипник 208К 1
35 73105 Крышка 1
36 700-31-2574 Шайба 3
37 Шайба 8Т 65Г 09 3
38 Болт M8×25.58.019 5
39 7323-1 2 Втулка 1
40 735 Вал 1
41 7325 Палец стопорный 1
42 40235 Прокладка 1
43 73103 Крышка люка 1
44 379 Пробка КГ 3/8" 1
45 700-32-2105 Штифт 1
46 742 Кольцо упорное 1
47 Болт M10×25.58.019 8
1 Заказывать 7326СП.
2 При необходимости заказывать ремонтные комплекты, смотри перечень деталей ремонтных размеров.
3 Заказывать 17-73-111СП.
Муфта сцепления пускового двигателя