Запасные части ЧТЗ Запасные части ЧТЗ
Псков
Например:
Актобе
Алдан
или
Выбрать автоматически
Актобе
Алдан
Алматы
Алчевск
Архангельск
Астана
Астрахань
Атырау
Баку
Балашиха
Барнаул
Белгород
Бердянск
Бишкек
Владивосток
Владикавказ
Воркута
Воронеж
Горловка
Грозный
Донецк
Екатеринбург
Иваново
Ижевск
Иркутск
Казань
Калининград
Каменск-Уральский
Караганда
Каховка
Кемерово
Киров
Комсомольск-на-Амуре
Костанай
Краснодар
Красноярск
Красный луч
Ленск
Луганск
Магадан
Магнитогорск
Макеевка
Махачкала
Мелитополь
Минск
Мирный (Якутия)
Москва
Мурманск
Нерюнгри
Нижневартовск
Нижний Новгород
Нижний Тагил
Новая каховка
Новокузнецк
Новосибирск
Новый Уренгой
Норильск
Ноябрьск
Нур-Султан
Омск
Оренбург
Ош
Павлодар
Пермь
Петрозаводск
Петропавловск
Петропавловск-Камчатский
Псков
Ростов-на-Дону
Салехард
Самара
Санкт-Петербург
Саратов
Севастополь
Семей
Симферополь
Сочи
Ставрополь
Сургут
Сыктывкар
Тараз
Ташкент
Токмак
Томск
Тында
Тюмень
Ульяновск
Усинск
Усть-Каменогорск
Уфа
Хабаровск
Ханты-Мансийск
Херсон
Челябинск
Чита
Шымкент
Экибастуз
Энергодар
Южно-Сахалинск
Якутск
Ваш город
Псков
Войти
Запасные части к тракторам на одном сайте
+7 (932) 303-00-10
+7 (932) 303-00-10
г. Псков, ул. Леона Поземского, д. 110Д
Пн-Пт: 9:30-18:30 Cб-Вс: Выходной
Отправить заявку


Установка переднего моста ПК46


/
с НДС 20%
Описание
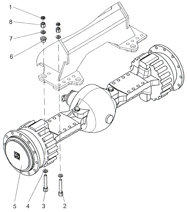
ПК46.02.00.100 Установка переднего моста ПК46
Поз. Обозначение Наименование Кол. Масса
1 027.13.12.227 Гайка 8 0,72
2 027.13.14.227 Гайка 8 2,24
3 ПК46.04.00.025 Шайба 14 0,028
4 ПК46.04.00.030 Шпилька 6 1,9
5 Мост ведущий ОДМ.73.001-6 1 760
6 ПК46.04.00.025-01 Шайба 2 0,028
7 ПК46.02.00.110 Шпилька 2 1,95
8 ПК46.02.00.112 Втулка 2 0,55
Общий вес, кг 786,3


ПК46.02.10.000 Установка переднего моста

ПК46.02.10.000 Установка переднего моста ПК46
1 ПК30.02.00.004 Гайка 14 0,05
2 ПК30.02.00.010 Шпилька 12 0,9
3 ПК30.02.00.020 Шпилька 2 1,0
4 ПК30.02.00.003-01 Шайба 2 0,043
5 Мост ведущий передний ZF MT-L 3085 4474 052 092 1 700
6 ПКЗО.02.00.005 Втулка 2 0,45
7 ЛК30.02.00.003 Шайба 26 0,046
8 ПКЗО.02.00.002 Гайка 14 0,2
Общий вес, кг 615
Установка переднего моста